3000 кг
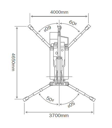
4150х1300x1845 мм
9.8 м
11 м
Аренда от 1го дня
Бесплатный самовывоз со склада
Доставка от 1 дня по территории РФ и Казахстана (доставка Арлифт или другой транспортной компанией)
Безналичным расчетом для юридических лиц.
Стоимость и сроки доставки рассчитываются отдельно и зависят от региона и страны, а также наличия нужного количества товара на складе. Точную стоимость и сроки поставки уточняйте перед арендой или покупкой.
Для срочных заказов в случае аренды оборудования возможна доставка день в день.
В остальных случаях доставка по городу осуществляется не ранее, чем на следующий день после оформления заказа и при наличии товара на складе. В случае безналичной оплаты доставка осуществляется на следующий день после того, как деньги поступили на расчетный счет компании.
Стоимость и сроки доставки рассчитываются отдельно и зависят от региона и страны, а также наличия нужного количества товара на складе. Точную стоимость и сроки поставки уточняйте перед арендой или покупкой.
Решаемые задачи
Функциональные преимущества
Подобные модели
Арендовать Мини-кран MC-354 для строительства , а также другие Мини-краны в аренду по выгодным ценам от компании ARLIFT в Краснодаре.
Подробные технические характеристики, инструкции по управлению и примеры решаемых задач, помогут Вам сделать правильный выбор и быстро оформить аренду необходимой спецтехники.
Заказать и оплатить можно онлайн на сайте ARLIFT с доставкой от 1 дня в Краснодаре, а также по территории Российской Федерации и Казахстана (доставка Арлифт или другой транспортной компанией).
